產品中心
專用產品

首頁->產品中心->兩相交流高速步進電機系列

兩相交流高速步進電機系列

高速電機60系列

產品詳情

blob.png

動態力矩曲線圖:
blob.png

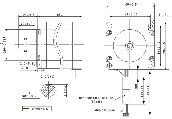
機械尺寸圖:

blob.png

上一個:
?

2006-2024 深圳市鼎拓達機電有限公司版權所有 粵ICP備05142847號 技術支持:神州通達網絡

深圳總公司:

電話:0755-25796858 

傳真:0755-25796696 

郵箱:sales@dt-me.com 

地址:廣東省深圳市南山區西麗街道麻磡社區麻磡路18號工業區8棟5樓




華中辦事處:童仁青  18975332020 

地址:湖南省長沙縣星沙大道39號財富港灣1棟2單元1613號

華東辦事處:朱興科 18128820282  

地址:江蘇省蘇州市昆山市昆山開發區四季華城32棟2單元1503

 
微信掃一掃   手機掃一掃
在線客服
主站蜘蛛池模板: 车险| 云浮市| 鸡西市| 山东| 淮南市| 肥东县| 竹山县| 宝山区| 静乐县| 于田县| 鸡东县| 宁波市| 雅安市| 房产| 克拉玛依市| 辉县市| 城固县| 红桥区| 汉阴县| 上饶市| 陇南市| 巢湖市| 桃园市| 余庆县| 大冶市| 宜昌市| 正定县| 临猗县| 十堰市| 洛宁县| 上林县| 肥东县| 南开区| 凌云县| 孝昌县| 西乌珠穆沁旗| 兴安盟| 壤塘县| 周宁县| 彭州市| 平乐县|