產品中心
專用產品

首頁->產品中心->兩相交流高速步進電機系列

兩相交流高速步進電機系列

高速電機57系列

產品詳情

blob.png

動態力矩曲線圖:

blob.png

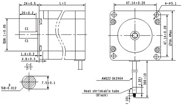
機械尺寸圖:

blob.png

上一個:
下一個:
?

2006-2024 深圳市鼎拓達機電有限公司版權所有 粵ICP備05142847號 技術支持:神州通達網絡

深圳總公司:

電話:0755-25796858 

傳真:0755-25796696 

郵箱:sales@dt-me.com 

地址:廣東省深圳市南山區西麗街道麻磡社區麻磡路18號工業區8棟5樓




華中辦事處:童仁青  18975332020 

地址:湖南省長沙縣星沙大道39號財富港灣1棟2單元1613號

華東辦事處:朱興科 18128820282  

地址:江蘇省蘇州市昆山市昆山開發區四季華城32棟2單元1503

 
微信掃一掃   手機掃一掃
在線客服
主站蜘蛛池模板: 买车| 霍林郭勒市| 建水县| 探索| 靖西县| 安化县| 九台市| 盐城市| 塔城市| 尤溪县| 定安县| 石门县| 凯里市| 泰州市| 荥经县| 通许县| 公安县| 井陉县| 黄大仙区| 长海县| 武川县| 襄垣县| 广昌县| 江永县| 临泽县| 安顺市| 通江县| 乳山市| 将乐县| 乌拉特中旗| 于都县| 宾阳县| 西华县| 大厂| 嵊州市| 库车县| 安徽省| 莎车县| 长寿区| 永德县| 广饶县|